Lexus NX: Driver Side Power Mirror cannot be Adjusted with Power Mirror Switch

Lexus NX Service Manual / Vehicle Exterior / Mirror (ext) / Power Mirror Control System (w/ Memory) / Driver Side Power Mirror cannot be Adjusted with Power Mirror Switch

DESCRIPTION

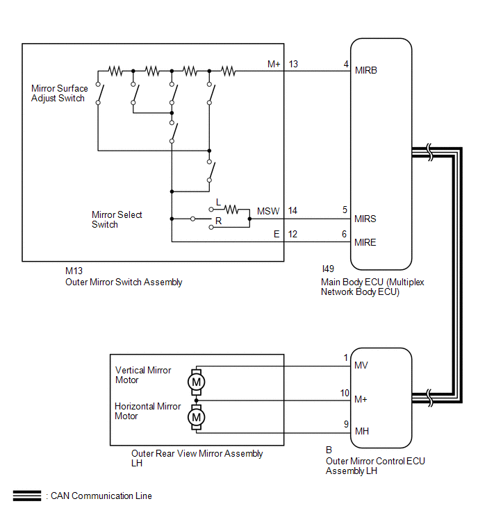
When the outer mirror switch assembly mirror surface adjust switch (up/down/left/right) is operated, up/down/left/right signals are received by the main body ECU (multiplex network body ECU). The main body ECU (multiplex network body ECU) sends the received signals to the outer mirror control ECU assembly LH via CAN communication. The outer mirror control ECU assembly LH receives the remote mirror selection signal and up/down/left/right signals and operates the outer rear view mirror assembly LH up/down/left/right based on the signals.

WIRING DIAGRAM

CAUTION / NOTICE / HINT

NOTICE:

  • First perform the communication function inspections in How to Proceed with Troubleshooting to confirm that there are no CAN communication malfunctions before troubleshooting this problem.

    Click here

  • If the main body ECU (multiplex network body ECU) is replaced, refer to Registration.

    Click here

PROCEDURE

1.

READ VALUE USING TECHSTREAM (OUTER MIRROR SWITCH ASSEMBLY)

(a) Using the Techstream, read the Data List.

Click here

Body Electrical > Main Body > Data List

Tester Display

Measurement Item

Range

Normal Condition

Diagnostic Note

Mirror Selection SW (L)

Mirror select switch signal for LH mirror

OFF or ON

OFF: Mirror select switch off

ON: Mirror select switch L switch on

-

Mirror Position SW (R)

Mirror surface adjust switch signal (Right)

OFF or ON

OFF: Mirror surface adjust switch not pressed right

ON: Mirror surface adjust switch pressed right

Check with the mirror select switch L switch on

Mirror Position SW (L)

Mirror surface adjust switch signal (Left)

OFF or ON

OFF: Mirror surface adjust switch not pressed left

ON: Mirror surface adjust switch pressed left

Check with the mirror select switch L switch on

Mirror Position SW (Up)

Mirror surface adjust switch signal (Up)

OFF or ON

OFF: Mirror surface adjust switch not pressed up

ON: Mirror surface adjust switch pressed up

Check with the mirror select switch L switch on

Mirror Position SW (Dwn)

Mirror surface adjust switch signal (Down)

OFF or ON

OFF: Mirror surface adjust switch not pressed down

ON: Mirror surface adjust switch pressed down

Check with the mirror select switch L switch on

Body Electrical > Main Body > Data List

Tester Display

Mirror Selection SW (L)

Mirror Position SW (R)

Mirror Position SW (L)

Mirror Position SW (Up)

Mirror Position SW (Dwn)

OK:

The display is as specified in the normal condition column.

NG

GO TO STEP 3

OK

2.

INSPECT OUTER REAR VIEW MIRROR ASSEMBLY LH

(a) Remove the outer rear view mirror assembly LH.

Click here

(b) Inspect the outer rear view mirror assembly LH.

Click here

OK

REPLACE OUTER MIRROR CONTROL ECU ASSEMBLY LH

NG

REPLACE OUTER REAR VIEW MIRROR ASSEMBLY LH

3.

INSPECT OUTER MIRROR SWITCH ASSEMBLY

(a) Remove the outer mirror switch assembly.

Click here

(b) Inspect the outer mirror switch assembly.

Click here

NG

REPLACE OUTER MIRROR SWITCH ASSEMBLY

OK

4.

CHECK HARNESS AND CONNECTOR (OUTER MIRROR SWITCH ASSEMBLY - MAIN BODY ECU [MULTIPLEX NETWORK BODY ECU])

(a) Disconnect the M13 outer mirror switch assembly connector.

(b) Disconnect the I49 main body ECU (multiplex network body ECU) connector.

(c) Measure the resistance according to the value(s) in the table below.

Standard Resistance:

Tester Connection

Condition

Specified Condition

M13-13 (M+) - I49-4 (MIRB)

Always

Below 1 Ω

M13-14 (MSW) - I49-5 (MIRS)

Always

Below 1 Ω

M13-12 (E) - I49-6 (MIRE)

Always

Below 1 Ω

M13-13 (M+) or I49-4 (MIRB) - Body ground

Always

10 kΩ or higher

M13-14 (MSW) or I49-5 (MIRS) - Body ground

Always

10 kΩ or higher

M13-12 (E) or I49-6 (MIRE) - Body ground

Always

10 kΩ or higher

OK

REPLACE MAIN BODY ECU (MULTIPLEX NETWORK BODY ECU)

NG

REPAIR OR REPLACE HARNESS OR CONNECTOR

READ NEXT:

 Front Passenger Side Power Mirror cannot be Adjusted with Power Mirror Switch

DESCRIPTION When the outer mirror switch assembly mirror surface adjust switch (up/down/left/right) is operated, up/down/left/right signals are received by the main body ECU (multiplex network body EC

 Power Mirror cannot be Adjusted with Power Mirror Switch

DESCRIPTION When the outer mirror switch assembly mirror select switch is operated, right/left selection signals are sent to the main body ECU (multiplex network body ECU). The main body ECU (multiple

 Mirror Heater does not Operate with Rear Defogger Switch

DESCRIPTION When therear window defogger switch (mirror heater switch) is operated, a mirror heater signal is sent to the air conditioning amplifier assembly via LIN communication. The air conditionin

SEE MORE:

 Rough Idling (P1605)

DESCRIPTION When the engine is idling stably under a low load, if the idle speed drops or becomes unstable, this DTC will be stored. Read freeze frame data using the Techstream. The ECM records vehicle and driving condition information as freeze frame data the moment a DTC is stored. When troublesho

 Operation Check

OPERATION CHECK CHECK SEAT HEATER (for Front) (a) Turn the power switch on (IG). (b) Check that the indicator illuminates and the surface of the front seat warms up, when the seat heater switch on the air conditioning control assembly is turned on. (c) Check that the front seat surface temperature c

© 2016-2025 Copyright www.lexunx.com