Lexus NX: System Diagram
SYSTEM DIAGRAM
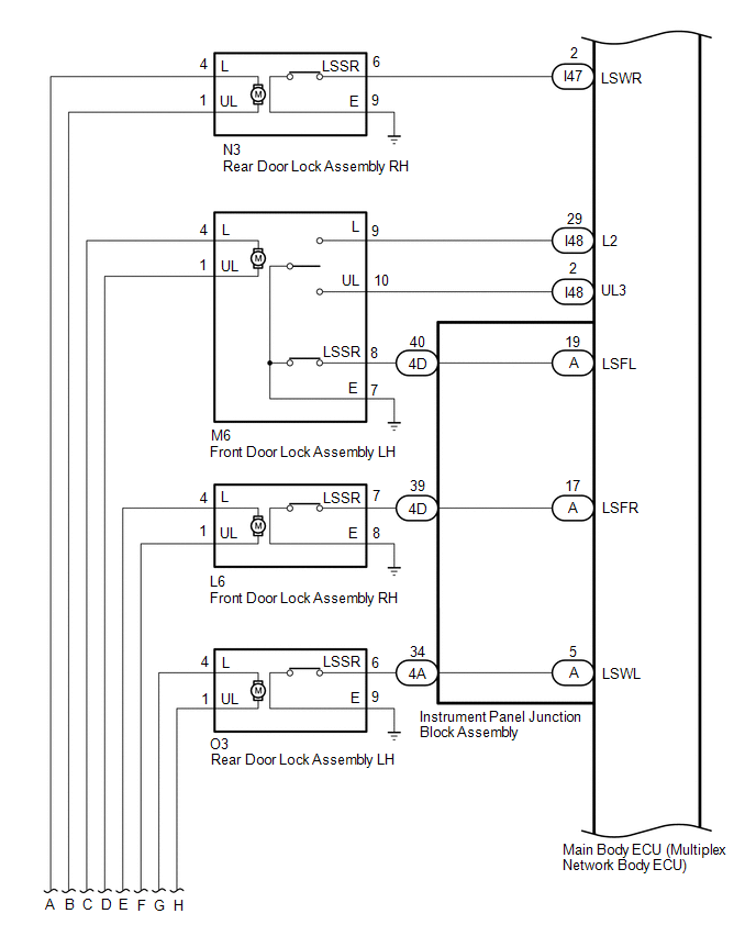
Wireless Door Lock Control System
.png)
READ NEXT:
SYSTEM DESCRIPTION WIRELESS DOOR LOCK CONTROL SYSTEM The wireless door lock control system can be used to lock and unlock all doors from a distance. The system is controlled by an electrical key trans
CAUTION / NOTICE / HINT HINT:
The wireless door lock control system troubleshooting procedure is based on the premise that the power door lock control system is operating properly. Check the power
OPERATION CHECK NOTICE WHEN CHECKING FOLLOWING (a) Wireless door lock/unlock function: This wireless door lock control function operates only when the following 3 conditions are met: (1) The power swi
SEE MORE:
DESCRIPTION If the entry lock and unlock functions do not operate for the rear door LH only, the request code may not be being transmitted from the rear door LH or the rear door outside handle assembly LH (touch sensor) may be malfunctioning. If the entry functions for other doors operate properly,
DESCRIPTION The front airbag sensor LH circuit consists of the airbag ECU assembly and front airbag sensor LH. The front airbag sensor LH detects impacts to the vehicle and sends signals to the airbag ECU assembly to determine if the airbag should be deployed. DTC B1617 or B1618 is stored when a mal
© 2016-2026 Copyright www.lexunx.com
