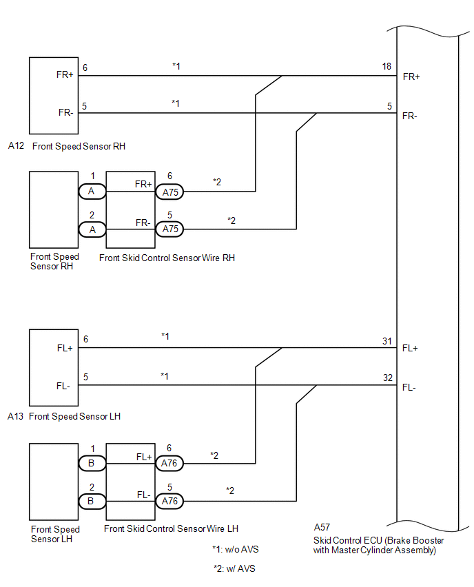
Lexus NX: System Diagram

SYSTEM DIAGRAM

Transmitting ECU (Transmitter)

Receiving ECU

Signal

Communication Method

Skid control ECU (Brake booster with master cylinder assembly)

Power steering ECU assembly

  • Target steering angle signal
  • Wheel speed signal
  • Vehicle speed signal

CAN communication line

Main body ECU (Multiplex network body ECU)

Skid control ECU (Brake booster with master cylinder assembly)

  • Hood courtesy switch signal
  • Back door courtesy switch signal
  • Driver's side seat belt buckle switch signal

CAN communication line

Skid control ECU (Brake booster with master cylinder assembly)

Hybrid vehicle control ECU

  • Wheel speed signal
  • Electronically controlled brake system data signal

CAN communication line

Hybrid vehicle control ECU

Skid control ECU (Brake booster with master cylinder assembly)

  • Shift information signal
  • Ready status signal
  • Actual torque data signal

CAN communication line

Skid control ECU (Brake booster with master cylinder assembly)

Steering sensor

Steering sensor request signal

CAN communication line

Steering sensor

Skid control ECU (Brake booster with master cylinder assembly)

Steering sensor signal

CAN communication line

Skid control ECU (Brake booster with master cylinder assembly)

Yaw rate and acceleration sensor (Airbag ECU assembly)

Yaw rate and acceleration request signal

CAN communication line

Yaw rate and acceleration sensor (Airbag ECU assembly)

Skid control ECU (Brake booster with master cylinder assembly)

Yaw rate and acceleration signal

CAN communication line

Skid control ECU (Brake booster with master cylinder assembly)

Parking brake ECU assembly

  • Vehicle speed signal
  • Brake hold status signal
  • Electric parking brake lock request

CAN communication line

Parking brake ECU assembly

Skid control ECU (Brake booster with master cylinder assembly)

  • Electric parking brake switch status signal
  • Electric parking brake lock status signal

CAN communication line

Skid control ECU (Brake booster with master cylinder assembly)

Combination meter assembly

  • ABS warning light signal
  • Brake warning light / red (malfunction) signal
  • Brake warning light / yellow (minor malfunction) signal
  • Slip indicator light signal
  • VSC OFF indicator light signal
  • Multi-information display (TRAC OFF and brake hold message) signal
  • Brake hold standby indicator light signal
  • Brake hold operated indicator light signal
  • Meter buzzer signal

CAN communication line

READ NEXT:

 System Description

SYSTEM DESCRIPTION FUNCTION DESCRIPTION (a) Electronically Controlled Brake System (1) Upon receiving signals from the skid control ECU (brake booster with master cylinder assembly), this system effec

 How To Proceed With Troubleshooting

CAUTION / NOTICE / HINT HINT: *: Use the Techstream. PROCEDURE 1. VEHICLE BROUGHT TO WORKSHOP NEXT 2. CUSTOMER PROBLEM ANALYSIS (a) Interview the customer and confir

 Check For Intermittent Problems

CHECK FOR INTERMITTENT PROBLEMS CHECK FOR INTERMITTENT PROBLEMS HINT: A momentary interruption (open circuit) in the connectors and/or wire harnesses between the sensors and ECUs can be detected using

SEE MORE:

 Lost Communication with "Door Control Module B" (U0200)

DESCRIPTION DTC No. Detection Item DTC Detection Condition Trouble Area DTC Output from U0200 Lost Communication with "Door Control Module B" There is no communication from the outer mirror control ECU assembly RH. Power source circuit of outer mirror control ECU assembly RH

 Air Outlet Damper Control Servo Motor Circuit (B1443)

DESCRIPTION The No. 1 air conditioning radiator damper servo sub-assembly (mode) sends pulse signals to inform the air conditioning amplifier assembly of the damper position. The air conditioning amplifier assembly activates the motor (normal, reverse) based on the signals to move the No. 1 air cond

© 2016-2026 Copyright www.lexunx.com