Lexus NX: Speaker Output Short (B15C3)

DESCRIPTION

This DTC is stored when a malfunction occurs in the speakers.

In addition, the radio receiver assembly detects a malfunction via the stereo component amplifier assembly.

DTC No.

Detection Item

DTC Detection Condition

Trouble Area

B15C3

Speaker Output Short

A short is detected in the speaker output circuit

  • Harness or connector
  • Speakers
  • Stereo component amplifier assembly
  • DCM (telematics transceiver) (w/ Manual [SOS] Switch)

WIRING DIAGRAM

CAUTION / NOTICE / HINT

NOTICE:

When replacing the DCM (telematics transceiver), make sure to replace it with a new one (w/ Manual [SOS] Switch).

HINT:

Depending on the parts that are replaced during vehicle inspection or maintenance, performing initialization, registration or calibration may be needed. Refer to Precaution for Navigation System.

Click here

PROCEDURE

1.

CHECK DTC

(a) Clear the DTCs.

Click here

Body Electrical > Navigation System > Clear DTCs

(b) Recheck for DTCs and check that no DTCs are output.

Click here

Body Electrical > Navigation System > Trouble Codes

OK:

No DTCs are output.

OK

USE SIMULATION METHOD TO CHECK

NG

2.

CHECK HARNESS AND CONNECTOR (SPEAKER CIRCUIT)

  • *1: for LH Side

    *2: for RH Side

    *3: for 14 Speakers

    *4: w/ Manual (SOS) Switch

(a) Disconnect the P22 stereo component amplifier assembly connector.

(b) Disconnect the M9*1 and/or L9*2 front No. 1 speaker assembly connector.

(c) Disconnect the J2*1 and/or J1*2 front No. 2 speaker assembly connector.

(d) Disconnect the J3 front No. 3 speaker assembly connector.

(e) Disconnect the O6*1 and/or N5*2 rear No. 2 speaker assembly connector.

(f) Disconnect the O5*1 and/or N6*2 rear speaker assembly connector.

(g) Disconnect the Y20 rear No. 3 speaker assembly connector.

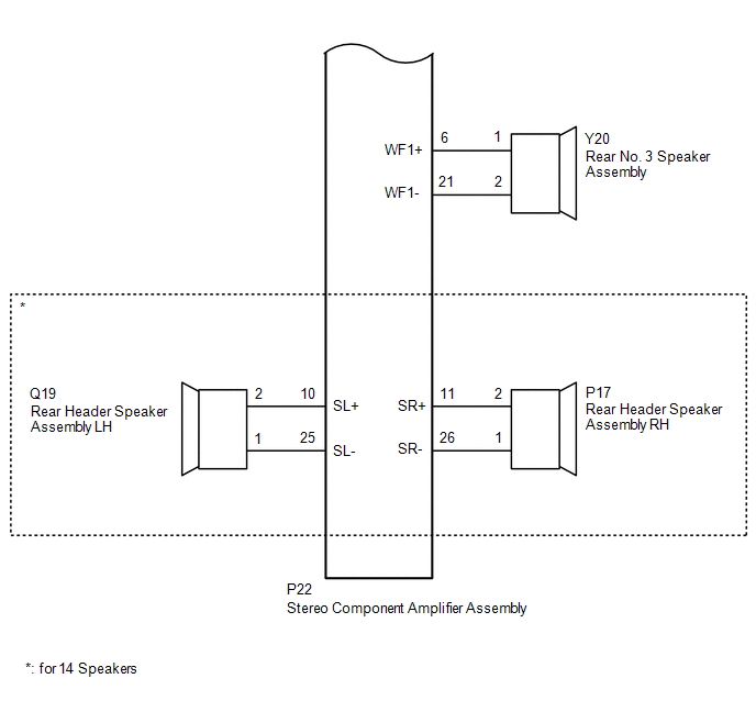
(h) Disconnect the Q19*1 and/or P17*2 rear header speaker assembly connector.*3

(i) Disconnect the I184 DCM (telematics transceiver) connector.*4

(j) Measure the resistance according to the value(s) in the table below.

Standard Resistance:

for LH Side

Tester Connection

Condition

Specified Condition

P22-4 (WFL+) - M9-1

Always

Below 1 Ω

P22-19 (WFL-) - M9-2

Always

Below 1 Ω

P22-12 (FL+) - J2-2

Always

Below 1 Ω

P22-27 (FL-) - J2-1

Always

Below 1 Ω

P22-8 (RL+) - O6-3 (+TW)

Always

Below 1 Ω

P22-23 (RL-) - O6-1 (-TW)

Always

Below 1 Ω

O6-4 (+) - O5-1

Always

Below 1 Ω

O6-2 (-) - O5-2

Always

Below 1 Ω

P22-10 (SL+) - Q19-2*3

Always

Below 1 Ω

P22-25 (SL-) - Q19-1*3

Always

Below 1 Ω

P22-4 (WFL+) - Body ground

Always

10 kΩ or higher

P22-19 (WFL-) - Body ground

Always

10 kΩ or higher

P22-12 (FL+) - Body ground

Always

10 kΩ or higher

P22-27 (FL-) - Body ground

Always

10 kΩ or higher

P22-8 (RL+) - Body ground

Always

10 kΩ or higher

P22-23 (RL-) - Body ground

Always

10 kΩ or higher

O6-4 (+) - Body ground

Always

10 kΩ or higher

O6-2 (-) - Body ground

Always

10 kΩ or higher

P22-10 (SL+) - Body ground*3

Always

10 kΩ or higher

P22-25 (SL-) - Body ground*3

Always

10 kΩ or higher

for RH Side (w/ Manual [SOS] Switch)

Tester Connection

Condition

Specified Condition

P22-5 (WFR+) - L9-1

Always

Below 1 Ω

P22-20 (WFR-) - L9-2

Always

Below 1 Ω

P22-13 (FR+) - I184-1 (SPI+)

Always

Below 1 Ω

P22-28 (FR-) - I184-2 (SPI-)

Always

Below 1 Ω

I184-3 (SPO+) - J1-2

Always

Below 1 Ω

I184-4 (SPO-) - J1-1

Always

Below 1 Ω

P22-9 (RR+) - N5-3 (+TW)

Always

Below 1 Ω

P22-24 (RR-) - N5-1 (-TW)

Always

Below 1 Ω

N5-4 (+) - N6-1

Always

Below 1 Ω

N5-2 (-) - N6-2

Always

Below 1 Ω

P22-11 (SR+) - P17-2*3

Always

Below 1 Ω

P22-26 (SR-) - P17-1*3

Always

Below 1 Ω

P22-5 (WFR+) - Body ground

Always

10 kΩ or higher

P22-20 (WFR-) - Body ground

Always

10 kΩ or higher

P22-13 (FR+) - Body ground

Always

10 kΩ or higher

P22-28 (FR-) - Body ground

Always

10 kΩ or higher

I184-3 (SPO+) - Body ground

Always

10 kΩ or higher

I184-4 (SPO-) - Body ground

Always

10 kΩ or higher

P22-9 (RR+) - Body ground

Always

10 kΩ or higher

P22-24 (RR-) - Body ground

Always

10 kΩ or higher

N5-4 (+) - Body ground

Always

10 kΩ or higher

N5-2 (-) - Body ground

Always

10 kΩ or higher

P22-11 (SR+) - Body ground*3

Always

10 kΩ or higher

P22-26 (SR-) - Body ground*3

Always

10 kΩ or higher

for RH Side (w/o Manual [SOS] Switch)

Tester Connection

Condition

Specified Condition

P22-5 (WFR+) - L9-1

Always

Below 1 Ω

P22-20 (WFR-) - L9-2

Always

Below 1 Ω

P22-13 (FR+) - J1-2

Always

Below 1 Ω

P22-28 (FR-) - J1-1

Always

Below 1 Ω

P22-9 (RR+) - N5-3 (+TW)

Always

Below 1 Ω

P22-24 (RR-) - N5-1 (-TW)

Always

Below 1 Ω

N5-4 (+) - N6-1

Always

Below 1 Ω

N5-2 (-) - N6-2

Always

Below 1 Ω

P22-11 (SR+) - P17-2*3

Always

Below 1 Ω

P22-26 (SR-) - P17-1*3

Always

Below 1 Ω

P22-5 (WFR+) - Body ground

Always

10 kΩ or higher

P22-20 (WFR-) - Body ground

Always

10 kΩ or higher

P22-13 (FR+) - Body ground

Always

10 kΩ or higher

P22-28 (FR-) - Body ground

Always

10 kΩ or higher

P22-9 (RR+) - Body ground

Always

10 kΩ or higher

P22-24 (RR-) - Body ground

Always

10 kΩ or higher

N5-4 (+) - Body ground

Always

10 kΩ or higher

N5-2 (-) - Body ground

Always

10 kΩ or higher

P22-11 (SR+) - Body ground*3

Always

10 kΩ or higher

P22-26 (SR-) - Body ground*3

Always

10 kΩ or higher

for Center Side

Tester Connection

Condition

Specified Condition

P22-7 (CTR+) - J3-2

Always

Below 1 Ω

P22-22 (CTR-) - J3-1

Always

Below 1 Ω

P22-6 (WF1+) - Y20-1

Always

Below 1 Ω

P22-21 (WF1-) - Y20-2

Always

Below 1 Ω

P22-7 (CTR+) - Body ground

Always

10 kΩ or higher

P22-22 (CTR-) - Body ground

Always

10 kΩ or higher

P22-6 (WF1+) - Body ground

Always

10 kΩ or higher

P22-21 (WF1-) - Body ground

Always

10 kΩ or higher

NG

REPAIR OR REPLACE HARNESS OR CONNECTOR

OK

3.

INSPECT FRONT NO. 1 SPEAKER ASSEMBLY

(a) Remove the front No. 1 speaker assembly.

Click here

(b) Inspect the front No. 1 speaker assembly.

Click here

NG

REPLACE FRONT NO. 1 SPEAKER ASSEMBLY

OK

4.

INSPECT FRONT NO. 2 SPEAKER ASSEMBLY

(a) Remove the front No. 2 speaker assembly.

Click here

(b) Inspect the front No. 2 speaker assembly.

Click here

NG

REPLACE FRONT NO. 2 SPEAKER ASSEMBLY

OK

5.

INSPECT FRONT NO. 3 SPEAKER ASSEMBLY

(a) Remove the front No. 3 speaker assembly.

Click here

(b) Inspect the front No. 3 speaker assembly.

Click here

NG

REPLACE FRONT NO. 3 SPEAKER ASSEMBLY

OK

6.

INSPECT REAR SPEAKER ASSEMBLY

(a) Remove the rear speaker assembly.

Click here

(b) Inspect the rear speaker assembly.

Click here

NG

REPLACE REAR SPEAKER ASSEMBLY

OK

7.

INSPECT REAR NO. 3 SPEAKER ASSEMBLY

(a) Remove the rear No. 3 speaker assembly.

Click here

(b) Inspect the rear No. 3 speaker assembly.

Click here

NG

REPLACE REAR NO. 3 SPEAKER ASSEMBLY

OK

8.

CHECK VEHICLE TYPE

(a) Check the vehicle type.

Result

Proceed to

for 14 Speakers

A

for 10 Speakers

B

B

GO TO STEP 10

A

9.

INSPECT REAR HEADER SPEAKER ASSEMBLY

(a) Remove the rear header speaker assembly.

Click here

(b) Inspect the rear header speaker assembly.

Click here

NG

REPLACE REAR HEADER SPEAKER ASSEMBLY

OK

10.

CHECK VEHICLE TYPE

(a) Check the vehicle type.

Result

Proceed to

w/ Manual (SOS) Switch

A

w/o Manual (SOS) Switch

B

B

GO TO STEP 12

A

11.

INSPECT DCM (TELEMATICS TRANSCEIVER) (SPO+, SPO-, SPI+, SPI-)

(a) Remove the DCM (telematics transceiver).

Click here

*a

Component without harness connected

(DCM [Telematics Transceiver])

(b) Measure the resistance according to the value(s) in the table below.

Standard Resistance:

Tester Connection

Condition

Specified Condition

I184-1 (SPI+) - I184-3 (SPO+)

Always

Below 1 Ω

I184-2 (SPI-) - I184-4 (SPO-)

Always

Below 1 Ω

I184-1 (SPI+) - I184-2 (SPI-)

Always

10 kΩ or higher

I184-3 (SPO+) - I184-4 (SPO-)

Always

10 kΩ or higher

NG

REPLACE DCM (TELEMATICS TRANSCEIVER)

OK

12.

CHECK REAR NO. 2 SPEAKER ASSEMBLY

(a) Replace the rear No. 2 speaker assembly with a new or known good one.

Click here

(b) Clear the DTCs.

Click here

Body Electrical > Navigation System > Clear DTCs

(c) Recheck for DTCs and check that no DTCs are output.

Click here

Body Electrical > Navigation System > Trouble Codes

OK:

No DTCs are output.

OK

END (REAR NO. 2 SPEAKER ASSEMBLY IS DEFECTIVE)

NG

REPLACE STEREO COMPONENT AMPLIFIER ASSEMBLY

READ NEXT:

 MOST Communication Malfunction (B15D0)

DESCRIPTION Navigation system components communicate with each other via MOST communication. If a line short or short to ground occurs in a MOST communication line, communication will not be possible

 Stereo Component Amplifier Disconnected (B15D3)

DESCRIPTION The radio receiver assembly and stereo component amplifier assembly are connected by the MOST communication line. This DTC is stored when a MOST communication error occurs between the radi

 Display Disconnected (B15D6)

DESCRIPTION The multi-display assembly and radio receiver assembly are connected by the AVC-LAN communication line. This DTC is stored when an AVC-LAN communication error occurs between the multi-disp

SEE MORE:

 Precaution

PRECAUTION PRECAUTION FOR DISCONNECTING CABLE FROM NEGATIVE AUXILIARY BATTERY TERMINAL NOTICE: After turning the power switch off, waiting time may be required before disconnecting the cable from the negative (-) auxiliary battery terminal. Therefore, make sure to read the disconnecting the cable

 Customize Parameters

CUSTOMIZE PARAMETERS CUSTOMIZING WITH MULTI-DISPLAY ASSEMBLY (a) Turn the power switch on (IG). (b) Using the multi-display assembly, select "Setup", "General", and then feedback force and change the customize setting. Item Default Content Setting Relevant ECU Feedback Force 2 Set

© 2016-2025 Copyright www.lexunx.com