Lexus NX: System Diagram

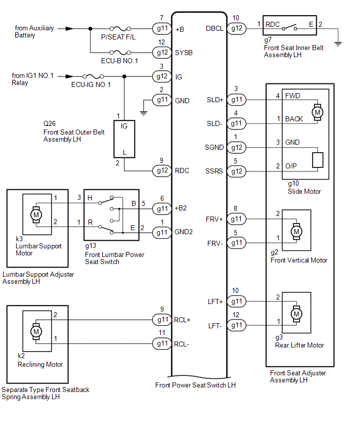
SYSTEM DIAGRAM

READ NEXT:

 System Description

SYSTEM DESCRIPTION FRONT POWER SEAT CONTROL SYSTEM DESCRIPTION The driver seat is equipped with slide, reclining, rear lifter, front vertical, and lumbar support adjustment functions. The memory

 How To Proceed With Troubleshooting

CAUTION / NOTICE / HINT HINT: Use the following procedure to troubleshoot the front power seat control system (w/ Memory). *: Use the Techstream. PROCEDURE 1. VEHICLE BROUGHT TO WORKSHOP

 Operation Check

OPERATION CHECK CHECK POWER SEAT FUNCTION (a) Check the basic functions. *a Slide Function *b Reclining Function *c Rear Lifter Function *d Front Vertical Function *e Lum

SEE MORE:

 Invalid Data Received from Hybrid Powertrain Control Module Invalid Serial Data Received (U059481)

DESCRIPTION If the hybrid vehicle control ECU cannot recognize the forward recognition camera. DTC U059481 is stored. DTC No. Detection Item DTC Detection Condition Trouble Area DTC Output from U059481 Invalid Data Received from Hybrid Powertrain Control Module Invalid Serial Data R

 Problem Symptoms Table

PROBLEM SYMPTOMS TABLE HINT: Use the table below to help determine the cause of problem symptoms. If multiple suspected areas are listed, the potential causes of the symptoms are listed in order of probability in the "Suspected Area"column of the table. Check each symptom by checking the suspected a

© 2016-2025 Copyright www.lexunx.com