Lexus NX: System Diagram
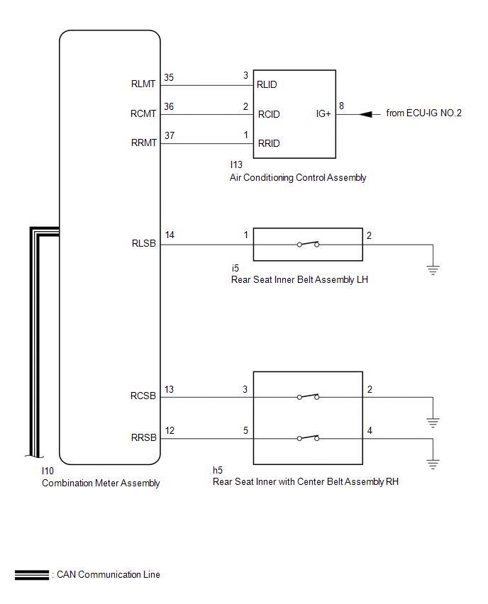
SYSTEM DIAGRAM

READ NEXT:
SYSTEM DESCRIPTION SEAT BELT WARNING SYSTEM DESCRIPTION HINT: The front seat belt warning light on the combination meter assembly is used for both the driver side seat and front passenger side seat. (
CAUTION / NOTICE / HINT HINT:
Use this procedure to troubleshoot the seat belt warning system.
*: Use the Techstream.
PROCEDURE 1. VEHICLE BROUGHT TO WORKSHOP
NEXT
OPERATION CHECK INSPECT DRIVER SIDE SEAT BELT WARNING LIGHT HINT: The front seat belt warning light on the combination meter assembly is used for both the driver side seat and front passenger side sea
SEE MORE:
COMPONENTS ILLUSTRATION *A w/ Woofer *B w/o Woofer *1 BACK DOOR CENTER GARNISH *2 BACK DOOR LOCK COVER *3 BACK DOOR SIDE GARNISH LH *4 BACK DOOR SIDE GARNISH RH *5 BACK DOOR TRIM BASE *6 BACK DOOR TRIM BOARD ASSEMBLY *7 POWER BACK DOOR WARNING BUZZER *
PARTS LOCATION ILLUSTRATION *1 NO. 2 ENGINE ROOM RELAY BLOCK - DCM FUSE (w/ Manual [SOS] Switch) - ECU-B NO.5 FUSE - ECU-B NO.1 FUSE *2 NO. 1 ENGINE ROOM RELAY BLOCK - AMP FUSE - RADIO FUSE - METER NO.1 FUSE *3 TELEPHONE MICROPHONE ASSEMBLY *4 ROOF HEADLINING HOLDER COVER *5