Lexus NX: Ignition Coil "A" Primary / Secondary Circuit (P0351-P0354)

Lexus NX Service Manual / Engine & Hybrid System / 2ar-fxe (engine Control) / Sfi System / Ignition Coil "A" Primary / Secondary Circuit (P0351-P0354)

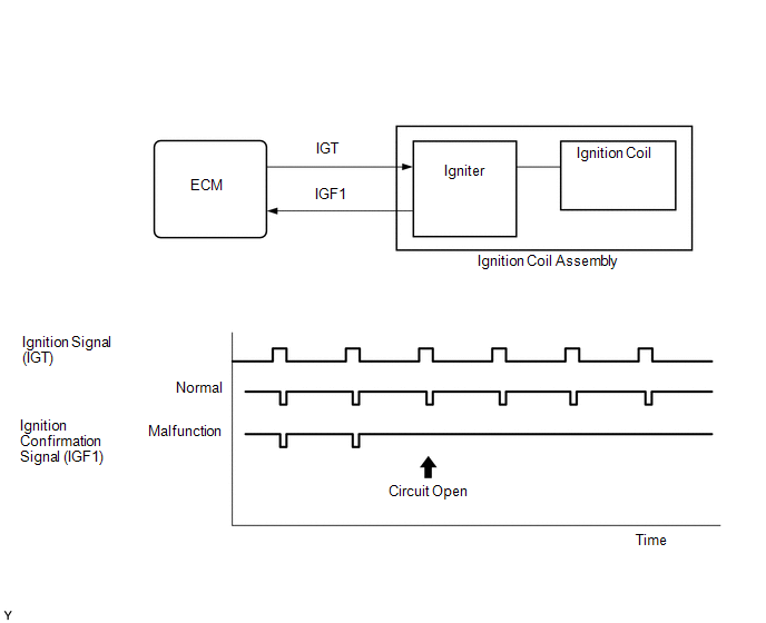
DESCRIPTION

HINT:

  • These DTCs indicate malfunctions relating to the primary circuit.
  • If DTC P0351 is output, check the No. 1 ignition coil assembly (No. 1 cylinder) circuit.
  • If DTC P0352 is output, check the No. 2 ignition coil assembly (No. 2 cylinder) circuit.
  • If DTC P0353 is output, check the No. 3 ignition coil assembly (No. 3 cylinder) circuit.
  • If DTC P0354 is output, check the No. 4 ignition coil assembly (No. 4 cylinder) circuit.

A Direct Ignition System (DIS) is used on this vehicle.

The DIS is a 1-cylinder ignition system in which each cylinder is ignited by one ignition coil assembly and one spark plug is connected to the end of each secondary wiring. A powerful voltage, generated in the secondary wiring, is applied directly to each spark plug. The spark of the spark plugs passes from the center electrode to the ground electrodes.

The ECM determines the ignition timing and transmits the ignition (IGT) signals to each cylinder. Using the IGT signal, the ECM turns the power transistor inside the igniter on and off. The power transistor, in turn, switches the current supplied to the primary coil on and off. When the current to the primary coil is cut off, a powerful voltage is generated in the secondary coil. This voltage is applied to the spark plugs, causing them to spark inside the cylinders. As the ECM cuts the current to the primary coil, the igniter sends back an ignition confirmation (IGF1) signal to the ECM, for each cylinder ignition.

DTC No.

Detection Item

DTC Detection Condition

Trouble Area

MIL

Memory

P0351

Ignition Coil "A" Primary / Secondary Circuit

No IGF1 signal to ECM while the engine is running (1 trip detection logic).

  • Ignition system
  • Open or short in IGF1 or IGT1 circuit between ignition coil assembly and ECM
  • No. 1 ignition coil assembly
  • IG2-MAIN relay
  • ECM

Comes on

DTC stored

P0352

Ignition Coil "B" Primary / Secondary Circuit

No IGF1 signal to ECM while the engine is running (1 trip detection logic).

  • Ignition system
  • Open or short in IGF1 or IGT2 circuit between ignition coil assembly and ECM
  • No. 2 ignition coil assembly
  • IG2-MAIN relay
  • ECM

Comes on

DTC stored

P0353

Ignition Coil "C" Primary / Secondary Circuit

No IGF1 signal to ECM while the engine is running (1 trip detection logic).

  • Ignition system
  • Open or short in IGF1 or IGT3 circuit between ignition coil assembly and ECM
  • No. 3 ignition coil assembly
  • IG2-MAIN relay
  • ECM

Comes on

DTC stored

P0354

Ignition Coil "D" Primary / Secondary Circuit

No IGF1 signal to ECM while the engine is running (1 trip detection logic).

  • Ignition system
  • Open or short in IGF1 or IGT4 circuit between ignition coil assembly and ECM
  • No. 4 ignition coil assembly
  • IG2-MAIN relay
  • ECM

Comes on

DTC stored

Reference: Inspection using an oscilloscope

HINT:

While idling the engine, check the waveform between terminals IGT (1 to 4) and E1, and IGF1 and E1 of the ECM connector.

ECM Terminal Name

IGT: Between IGT (1 to 4) and E1

IGF: Between IGF1 and E1

Tester Range

2 V/DIV., 20 ms./DIV.

Condition

Idling with warm engine

MONITOR DESCRIPTION

If the ECM does not receive any IGF1 signals despite transmitting the IGT signal, it interprets this as a fault in the igniter and stores a DTC.

MONITOR STRATEGY

Related DTCs

P0351: Igniter (cylinder 1) circuit/open

P0352: Igniter (cylinder 2) circuit/open

P0353: Igniter (cylinder 3) circuit/open

P0354: Igniter (cylinder 4) circuit/open

Required Sensors/Components (Main)

Igniter (Cylinder 1 to 4)

Required Sensors/Components (Related)

Crankshaft position sensor

Frequency of Operation

Continuous

Duration

-

MIL Operation

Immediate

Sequence of Operation

None

TYPICAL ENABLING CONDITIONS

Monitor runs whenever the following DTCs are not stored

None

All of the following conditions are met

-

Spark cut

Not operating

Either of the following conditions is met

A or B

A. Starter

Off

B. Engine speed

1500 rpm or less

Either of the following conditions is met

C or D

C. Both of the following conditions are met

-

Engine speed

500 rpm or less

Auxiliary battery voltage

6 V or higher

D. All of the following conditions are met

-

Engine speed

Higher than 500 rpm

Auxiliary battery voltage

10 V or higher

Number of sparks after CPU is reset

5 sparks or more

Lost communication with hybrid vehicle control ECU (U0293)

Not detected

Hybrid control module judge

Engine running

TYPICAL MALFUNCTION THRESHOLDS

All of the following conditions are met

A, B, C and D

A. Ignition signal fail counter

More than 2 times

B. Time after condition A is met

0.256 seconds or more

C. Ignition signal fail counter after condition B is met

More than 2 times

D. Power switch

On (IG)

COMPONENT OPERATING RANGE

Confirmed ignition signal input

2 times or more

CONFIRMATION DRIVING PATTERN

  1. Connect the Techstream to the DLC3.
  2. Turn the power switch on (IG) and turn the Techstream on.
  3. Clear the DTCs (even if no DTCs are stored, perform the clear DTC procedure).
  4. Turn the power switch off and wait for at least 30 seconds.
  5. Turn the power switch on (IG) and turn the Techstream on.
  6. Put the engine in inspection mode (maintenance mode).

    Click here

  7. Start the engine.
  8. Idle the engine for 10 seconds or more [A].
  9. Enter the following menus: Powertrain / Engine and ECT / Trouble Codes [B].
  10. Read the pending DTCs.

    HINT:

    • If a pending DTC is output, the system is malfunctioning.
    • If a pending DTC is not output, perform the following procedure.
  11. Enter the following menus: Powertrain / Engine and ECT / Utility / All Readiness.
  12. Input the DTC: P0351, P0352, P0353 or P0354.
  13. Check the DTC judgment result.

    Techstream Display

    Description

    NORMAL

    • DTC judgment completed
    • System normal

    ABNORMAL

    • DTC judgment completed
    • System abnormal

    INCOMPLETE

    • DTC judgment not completed
    • Perform driving pattern after confirming DTC enabling conditions

    N/A

    • Unable to perform DTC judgment
    • Number of DTCs which do not fulfill DTC preconditions has reached ECU memory limit

    HINT:

    • If the judgment result shows NORMAL, the system is normal.
    • If the judgment result shows ABNORMAL, the system has a malfunction.
    • If the judgment result shows INCOMPLETE or N/A, perform steps [A] and [B] again.
  14. If no pending DTC is output, perform a universal trip and check for permanent DTCs.

    Click here

    HINT:

    • If a permanent DTC is output, the system is malfunctioning.
    • If no permanent DTC is output, the system is normal.

WIRING DIAGRAM

CAUTION / NOTICE / HINT

NOTICE:

Inspect the fuses for circuits related to this system before performing the following procedure.

HINT:

Read freeze frame data using the Techstream. The ECM records vehicle and driving condition information as freeze frame data the moment a DTC is stored. When troubleshooting, freeze frame data can help determine if the vehicle was moving or stationary, if the engine was warmed up or not, if the air fuel ratio was lean or rich, and other data from the time the malfunction occurred.

PROCEDURE

1.

READ OUTPUT DTCS (DTC P0351, P0352, P0353 OR P0354)

(a) Connect the Techstream to the DLC3.

(b) Turn the power switch on (IG).

(c) Turn the Techstream on.

(d) Clear the DTCs.

Click here

Powertrain > Engine and ECT > Clear DTCs

(e) Turn the power switch off and wait for at least 30 seconds.

(f) Shuffle the arrangement of the ignition coil assemblies (among No. 1 to No. 4 cylinders).

NOTICE:

Do not change the location of the connectors.

(g) Perform a simulation test.

(h) Enter the following menus: Powertrain / Engine and ECT / Trouble Codes.

(i) Read the DTCs.

Powertrain > Engine and ECT > Trouble Codes

Result

Proceed to

Same DTC output

A

Different ignition coil DTC output

B

HINT:

Perform "Inspection After Repair" after replacing the ignition coil assembly.

Click here

B

REPLACE IGNITION COIL ASSEMBLY

A

2.

CHECK HARNESS AND CONNECTOR (IGNITION COIL ASSEMBLY - BODY GROUND)

(a) Disconnect the ignition coil assembly connector.

(b) Measure the resistance according to the value(s) in the table below.

Standard Resistance:

Tester Connection

Condition

Specified Condition

C9-4 (GND) - Body ground

Always

Below 1 Ω

C8-4 (GND) - Body ground

Always

Below 1 Ω

C7-4 (GND) - Body ground

Always

Below 1 Ω

C6-4 (GND) - Body ground

Always

Below 1 Ω

NG

REPAIR OR REPLACE HARNESS OR CONNECTOR

OK

3.

CHECK TERMINAL VOLTAGE (POWER SOURCE OF IGNITION COIL ASSEMBLY)

*a

Front view of wire harness connector

(to Ignition Coil Assembly)

(a) Disconnect the ignition coil assembly connector.

(b) Turn the power switch on (IG).

(c) Measure the voltage according to the value(s) in the table below.

Standard Voltage:

Tester Connection

Condition

Specified Condition

C9-1 (+B) - C9-4 (GND)

Power switch on (IG)

11 to 14 V

C8-1 (+B) - C8-4 (GND)

Power switch on (IG)

11 to 14 V

C7-1 (+B) - C7-4 (GND)

Power switch on (IG)

11 to 14 V

C6-1 (+B) - C6-4 (GND)

Power switch on (IG)

11 to 14 V

NG

GO TO STEP 5

OK

4.

CHECK HARNESS AND CONNECTOR (IGNITION COIL ASSEMBLY - ECM)

(a) Disconnect the ignition coil assembly connector.

(b) Disconnect the ECM connector.

(c) Measure the resistance according to the value(s) in the table below.

Standard Resistance:

Tester Connection

Condition

Specified Condition

C9-3 (IGT1) - C48-57 (IGT1)

Always

Below 1 Ω

C8-3 (IGT2) - C48-56 (IGT2)

Always

Below 1 Ω

C7-3 (IGT3) - C48-55 (IGT3)

Always

Below 1 Ω

C6-3 (IGT4) - C48-54 (IGT4)

Always

Below 1 Ω

C9-2 (IGF) - C48-51 (IGF1)

Always

Below 1 Ω

C8-2 (IGF) - C48-51 (IGF1)

Always

Below 1 Ω

C7-2 (IGF) - C48-51 (IGF1)

Always

Below 1 Ω

C6-2 (IGF) - C48-51 (IGF1)

Always

Below 1 Ω

C9-3 (IGT1) or C48-57 (IGT1) - Body ground

Always

10 kΩ or higher

C8-3 (IGT2) or C48-56 (IGT2) - Body ground

Always

10 kΩ or higher

C7-3 (IGT3) or C48-55 (IGT3) - Body ground

Always

10 kΩ or higher

C6-3 (IGT4) or C48-54 (IGT4) - Body ground

Always

10 kΩ or higher

C9-2 (IGF) or C48-51 (IGF1) - Body ground

Always

10 kΩ or higher

C8-2 (IGF) or C48-51 (IGF1) - Body ground

Always

10 kΩ or higher

C7-2 (IGF) or C48-51 (IGF1) - Body ground

Always

10 kΩ or higher

C6-2 (IGF) or C48-51 (IGF1) - Body ground

Always

10 kΩ or higher

OK

REPLACE ECM

NG

REPAIR OR REPLACE HARNESS OR CONNECTOR

5.

CHECK HARNESS AND CONNECTOR (IGNITION COIL ASSEMBLY - IG2-MAIN RELAY)

(a) Disconnect the ignition coil assembly connector.

(b) Remove the IG2-MAIN relay from the No. 1 engine room relay block and junction block assembly.

(c) Measure the resistance according to the value(s) in the table below.

Standard Resistance:

Tester Connection

Condition

Specified Condition

C9-1 (+B) - 5 (IG2-MAIN relay)

Always

Below 1 Ω

C8-1 (+B) - 5 (IG2-MAIN relay)

Always

Below 1 Ω

C7-1 (+B) - 5 (IG2-MAIN relay)

Always

Below 1 Ω

C6-1 (+B) - 5 (IG2-MAIN relay)

Always

Below 1 Ω

C9-1 (+B) or 5 (IG2-MAIN relay) - Body ground

Always

10 kΩ or higher

C8-1 (+B) or 5 (IG2-MAIN relay) - Body ground

Always

10 kΩ or higher

C7-1 (+B) or 5 (IG2-MAIN relay) - Body ground

Always

10 kΩ or higher

C6-1 (+B) or 5 (IG2-MAIN relay) - Body ground

Always

10 kΩ or higher

OK

GO TO ECM POWER SOURCE CIRCUIT

NG

REPAIR OR REPLACE HARNESS OR CONNECTOR

READ NEXT:

 Exhaust Gas Recirculation Flow Insufficient Detected (P0401)

DESCRIPTION Based on the driving conditions, the ECM regulates the volume of exhaust gas that is recirculated to the engine's combustion chambers and thus lowers the combustion temperature to reduce N

 Exhaust Gas Recirculation Control Circuit (P0403)

DESCRIPTION Refer to DTC P0401. Click here DTC No. Detection Item DTC Detection Condition Trouble Area MIL Memory P0403 Exhaust Gas Recirculation Control Circuit Both of the fo

 Catalyst System Efficiency Below Threshold (Bank 1) (P0420)

MONITOR DESCRIPTION The ECM uses sensors mounted in front of and behind the Three-Way Catalytic Converter (TWC) to monitor its efficiency. The first sensor, the air fuel ratio sensor, sends pre-cataly

SEE MORE:

 Power Back Door cannot be Operated Using Any Switch

DESCRIPTION When the power back door cannot be operated using any switch, one of the following may be the cause: 1) initialization of the multiplex network door ECU, 2) power back door sensor assembly circuit, 3) power back door ON/OFF signal circuit, 4) back door closer system, 5) meter / gauge sys

 Ambient Temperature Sensor Circuit (B1412)

DESCRIPTION The thermistor assembly (ambient temperature sensor) is installed in front of the cooler condenser assembly to detect the ambient temperature which is used to control the air conditioning system AUTO mode. This sensor is connected to the air conditioning amplifier assembly and detects fl

© 2016-2025 Copyright www.lexunx.com