Lexus NX: System Diagram

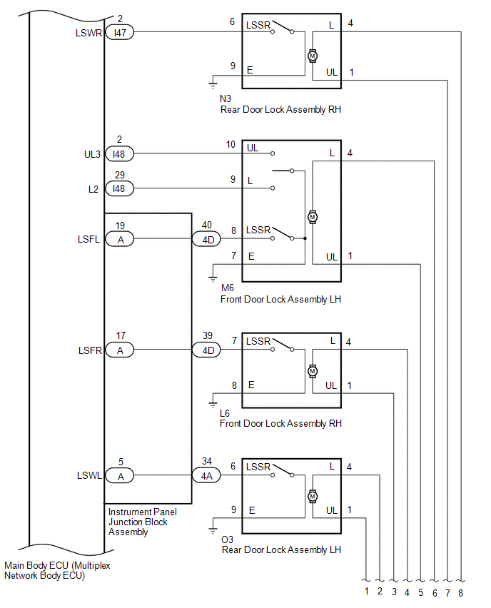
SYSTEM DIAGRAM

READ NEXT:

 Operation Check

OPERATION CHECK CHECK FUEL LID OPENER SYSTEM *1: *2: *3: (a) Fuel lid unlock function: (1) With the fuel lid lock panel closed, unlock the doors using one of the following operations.

 Problem Symptoms Table

PROBLEM SYMPTOMS TABLE NOTICE: Recognition code registration is necessary when replacing the main body ECU (multiplex network body ECU). If the main body ECU (multiplex network body ECU) is repla

 Hood

SEE MORE:

 Brake Control Warning Light does not Come ON

DESCRIPTION The skid control ECU (brake booster with master cylinder assembly) is connected to the combination meter assembly via CAN communication. CAUTION / NOTICE / HINT NOTICE: When replacing the skid control ECU (brake booster with master cylinder assembly), perform initialization and calibrati

 Glass Position Initialization Incomplete (B2313)

DESCRIPTION The power window regulator motor assemblies are operated by the multiplex network master switch assembly, power window regulator switch assembly or rear power window regulator switch assemblies. The power window regulator motor assembly has motor, regulator and ECU functions. When the EC

© 2016-2026 Copyright www.lexunx.com