Lexus NX: System Diagram
SYSTEM DIAGRAM
for Front:
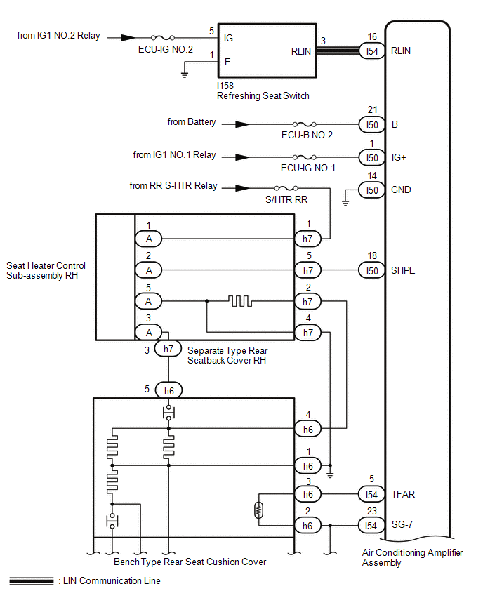
for Rear (w/ Rear Seat Heater):

READ NEXT:
SYSTEM DESCRIPTION FRONT SEAT HEATER (a) By operating the seat heater switch on the air conditioning control assembly, the temperature can be controlled within the range of 32 to 43°C (89 to 109°F).
CAUTION / NOTICE / HINT HINT:
Use the following procedure to troubleshoot the seat heater system.
*: Use the Techstream.
PROCEDURE 1. VEHICLE BROUGHT TO WORKSHOP
NEXT
OPERATION CHECK CHECK SEAT HEATER (for Front) (a) Turn the power switch on (IG). (b) Check that the indicator illuminates and the surface of the front seat warms up, when the seat heater switch on the
SEE MORE:
The rear view mirror's position can
be adjusted to enable sufficient
confirmation of the rear view.
Adjusting the height of rear view
mirror
The height of the rear view mirror can
be adjusted to suit your driving posture.
Adjust the height of the rear view mirror
by moving it up and down.
INSTALLATION PROCEDURE 1. INSTALL FRONT SEAT SLIDE SWITCH BEZEL (a) Attach the 6 claws to install the front seat slide switch bezel. 2. INSTALL SEAT MEMORY SWITCH (a) Attach the 4 claws to install the seat memory switch. 3. INSTALL FRONT DOOR TRIM BOARD SUB-ASSEMBLY LH Click here 4. INSTALL POWER
© 2016-2026 Copyright www.lexunx.com
