- Open or short circuit in the resolver for generator control
- Internal generator malfunction (entry of foreign matter, etc.)
DTC SUMMARY
MALFUNCTION DESCRIPTION
These DTCs indicate the resolver output signal is abnormal. The cause of this malfunction may be one of the following:
| Area | Main Malfunction Description | Step | 
|---|---|---|
| Inverter low-voltage circuit | The connectors are not connected properly | 2 | 
| Generator resolver | 
 | 3 | 
| Wire harness system between the resolver and inverter with converter assembly | 
 | 3 | 
| Inside of inverter | Inverter with converter assembly internal circuit malfunction | 3 | 
DESCRIPTION
Refer to the system description for the generator resolver circuit.
Click here .gif) 
 
| DTC No. | Detection Item | DTC Detection Condition | Trouble Area | MIL | Warning Indicate | 
|---|---|---|---|---|---|
| P0A4B-253 | Generator Position Sensor Circuit | Interphase short in the generator resolver circuit: A short circuit between signal lines of generator resolver phases is electrically detected. (1 trip detection logic) | 
 | Comes on | Master Warning Light: Comes on | 
| P0A4C-513 | Generator Position Sensor Circuit Range / Performance | Generator resolver signal is out of the normal range (amplitude is too large or too small). (1 trip detection logic) | 
 | Comes on | Master Warning Light: Comes on | 
| P0A4D-255 | Generator Position Sensor Circuit Low | Open or short in the generator resolver circuit: Generator resolver signal is out of the normal range (amplitude is extremely small). (1 trip detection logic) | 
 | Comes on | Master Warning Light: Comes on | 
MONITOR DESCRIPTION
The MG ECU monitors the generator resolver output signal. If the MG ECU detects output signals that are out of the normal range or specification, it will conclude that there is a malfunction in the generator resolver. If a malfunction is detected, the hybrid vehicle control ECU will illuminate the MIL and store a DTC.
MONITOR STRATEGY
| Related DTCs | P0A4B (INF 253): Short circuit between phases P0A4C (INF 513): Range check P0A4D (INF 255): Circuit discontinuity / short circuit | 
| Required sensors/components | Generator resolver | 
| Frequency of operation | Continuous | 
| Duration | TMC's intellectual property | 
| MIL operation | 1 driving cycle | 
| Sequence of operation | None | 
TYPICAL ENABLING CONDITIONS
| The monitor will run whenever the following DTCs are not stored | TMC's intellectual property | 
| Other conditions belong to TMC's intellectual property | - | 
TYPICAL MALFUNCTION THRESHOLDS
| TMC's intellectual property | - | 
COMPONENT OPERATING RANGE
| Hybrid vehicle control ECU | DTC P0A4B (INF 253) is not detected DTC P0A4C (INF 513) is not detected DTC P0A4D (INF 255) is not detected | 
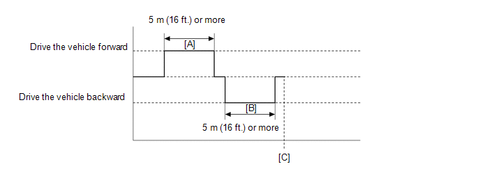
CONFIRMATION DRIVING PATTERN
.png) 
 HINT:
WIRING DIAGRAM
Refer to the wiring diagram for the generator resolver circuit.
Click here .gif) 
 
CAUTION / NOTICE / HINT
CAUTION:
Click here .gif) 
 
HINT:
Waiting for at least 10 minutes is required to discharge the high-voltage capacitor inside the inverter with converter assembly.
NOTICE:
After turning the power switch off, waiting time may be required before disconnecting the cable from the negative (-) auxiliary battery terminal. Therefore, make sure to read the disconnecting the cable from the negative (-) auxiliary battery terminal notices before proceeding with work.
Click here .gif) 
 .gif) 
 .gif) 
 
HINT:
PROCEDURE
| 1. | CHECK DTC OUTPUT (HYBRID CONTROL) | 
(a) Connect the Techstream to the DLC3.
(b) Turn the power switch on (IG).
(c) Enter the following menus: Powertrain / Hybrid Control / Trouble Codes.
(d) Check for DTCs.
Powertrain > Hybrid Control > Trouble Codes| Result | Proceed to | 
|---|---|
| Only P0A4B-253, P0A4C-513 or P0A4D-255 is output, or DTCs other than P06B0-163, P06E6-164, P06D6-511 or P1C73-512 are output simultaneously | A | 
| P06B0-163, P06E6-164, P06D6-511 or P1C73-512 is output simultaneously | B | 
(e) Turn the power switch off.
| B | .gif)  |  GO TO DTC CHART (HYBRID CONTROL SYSTEM)  | 
| 
 | 
| 2. | CHECK CONNECTOR CONNECTION CONDITION (INVERTER WITH CONVERTER ASSEMBLY CONNECTOR) | 
Click here .gif) 
 
| Result | Proceed to | 
|---|---|
| OK | A | 
| NG (The connector is not connected securely.) | B | 
| NG (The terminals are not making secure contact or are deformed, or water or foreign matter exists in the connector.) | C | 
| B | .gif)  | CONNECT SECURELY | 
| C | .gif)  | REPAIR OR REPLACE HARNESS OR CONNECTOR | 
| 
 | 
| 3. | CHECK GENERATOR RESOLVER CIRCUIT | 
Click here .gif) 
 
HINT:
If the "Generator Resolver Circuit" inspection results are normal, perform the next step.
| NEXT | .gif)  | REPLACE INVERTER WITH CONVERTER ASSEMBLY | 
 Generator Position Sensor Circuit Range / Performance (P0A4C-518,P0A4C-811)
 Generator Position Sensor Circuit Range / Performance (P0A4C-518,P0A4C-811)
	 Drive Motor "B" Current Sensor Circuit (P0A55-687)
 Drive Motor "B" Current Sensor Circuit (P0A55-687)
	 Drive Motor "A" Inverter Performance (P0A78-113)
 Drive Motor "A" Inverter Performance (P0A78-113)
	 HD Radio Tuner Malfunction (B1551,B15A0,B15B3,B15B5,B15B7,B15BA,B15F9)
 HD Radio Tuner Malfunction (B1551,B15A0,B15B3,B15B5,B15B7,B15BA,B15F9)
	 Components
 Components