Lexus NX: Inspection
INSPECTION
PROCEDURE
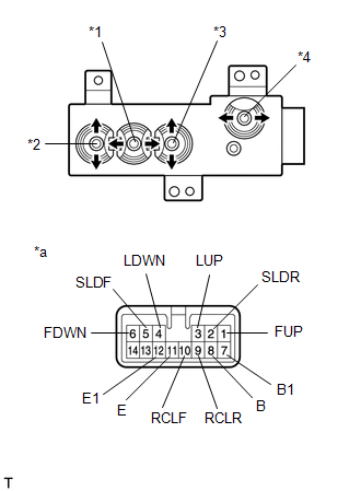
1. INSPECT FRONT POWER SEAT SWITCH LH (w/o Memory)
| (a) Measure the resistance according to the value(s) in the tables below. Standard Resistance (Slide Switch): | Tester Connection | Switch Condition | Specified Condition | | 5 (SLDF) - 8 (B) 5 (SLDF) - 7 (B1) | Front position | Below 1 Ω | | 2 (SLDR) - 11 (E) 2 (SLDR) - 12 (E1) | | 5 (SLDF) - 11 (E) 5 (SLDF) - 12 (E1) | Neutral | Below 1 Ω | | 2 (SLDR) - 11 (E) 2 (SLDR) - 12 (E1) | | 5 (SLDF) - 11 (E) 5 (SLDF) - 12 (E1) | Rear position | Below 1 Ω | | 2 (SLDR) - 8 (B) 2 (SLDR) - 7 (B1) | Standard Resistance (Front Vertical Switch): | Tester Connection | Switch Condition | Specified Condition | | 1 (FUP) - 8 (B) 1 (FUP) - 7 (B1) | Up position | Below 1 Ω | | 6 (FDWN) - 11 (E) 6 (FDWN) - 12 (E1) | | 1 (FUP) - 11 (E) 1 (FUP) - 12 (E1) | Neutral | Below 1 Ω | | 6 (FDWN) - 11 (E) 6 (FDWN) - 12 (E1) | | 1 (FUP) - 11 (E) 1 (FUP) - 12 (E1) | Down position | Below 1 Ω | | 6 (FDWN) - 8 (B) 6 (FDWN) - 7 (B1) | Standard Resistance (Lifter Switch): | Tester Connection | Switch Condition | Specified Condition | | 3 (LUP) - 8 (B) 3 (LUP) - 7 (B1) | Up position | Below 1 Ω | | 4 (LDWN) - 11 (E) 4 (LDWN) - 12 (E1) | | 3 (LUP) - 11 (E) 3 (LUP) - 12 (E1) | Neutral | Below 1 Ω | | 4 (LDWN) - 11 (E) 4 (LDWN) - 12 (E1) | | 3 (LUP) - 11 (E) 3 (LUP) - 12 (E1) | Down position | Below 1 Ω | | 4 (LDWN) - 8 (B) 4 (LDWN) - 7 (B1) | Standard Resistance (Reclining Switch): | Tester Connection | Switch Condition | Specified Condition | | 8 (B) - 10 (RCLF) 7 (B1) - 10 (RCLF) | Front position | Below 1 Ω | | 9 (RCLR) - 11 (E) 9 (RCLR) - 12 (E1) | | 10 (RCLF) - 11 (E) 10 (RCLF) - 12 (E1) | Neutral | Below 1 Ω | | 9 (RCLR) - 11 (E) 9 (RCLR) - 12 (E1) | | 10 (RCLF) - 11 (E) 10 (RCLF) - 12 (E1) | Rear position | Below 1 Ω | | 8 (B) - 9 (RCLR) 7 (B1) - 9 (RCLR) | If the result is not as specified, replace the front power seat switch LH. | | | *1 | Slide Switch | | *2 | Front Vertical Switch | | *3 | Lifter Switch | | *4 | Reclining Switch | | *a | Component without harness connected (Front Power Seat Switch LH) | | |
2. INSPECT FRONT POWER SEAT SWITCH RH (w/o Memory)
| (a) Measure the resistance according to the value(s) in the tables below. Standard Resistance (Slide Switch): | Tester Connection | Switch Condition | Specified Condition | | 2 (SLDF) - 13 (B) | Front position | Below 1 Ω | | 5 (SLDR) - 10 (E) | | 2 (SLDF) - 10 (E) | Neutral | Below 1 Ω | | 5 (SLDR) - 10 (E) | | 2 (SLDF) - 10 (E) | Rear position | Below 1 Ω | | 5 (SLDR) - 13 (B) | Standard Resistance (Front Vertical Switch): | Tester Connection | Switch Condition | Specified Condition | | 6 (FUP) - 13 (B) | Up position | Below 1 Ω | | 1 (FDWN) - 10 (E) | | 6 (FUP) - 10 (E) | Neutral | Below 1 Ω | | 1 (FDWN) - 10 (E) | | 6 (FUP) - 10 (E) | Down position | Below 1 Ω | | 1 (FDWN) - 13 (B) | Standard Resistance (Lifter Switch): | Tester Connection | Switch Condition | Specified Condition | | 4 (LUP) - 13 (B) | Up position | Below 1 Ω | | 3 (LDWN) - 10 (E) | | 4 (LUP) - 10 (E) | Neutral | Below 1 Ω | | 3 (LDWN) - 10 (E) | | 4 (LUP) - 10 (E) | Down position | Below 1 Ω | | 3 (LDWN) - 13 (B) | Standard Resistance (Reclining Switch): | Tester Connection | Switch Condition | Specified Condition | | 11 (RCLF) - 13 (B) | Front position | Below 1 Ω | | 12 (RCLR) - 10 (E) | | 11 (RCLF) - 10 (E) | Neutral | Below 1 Ω | | 12 (RCLR) - 10 (E) | | 11 (RCLF) - 10 (E) | Rear position | Below 1 Ω | | 12 (RCLR) - 13 (B) | If the result is not as specified, replace the front power seat switch RH. | | | *1 | Slide Switch | | *2 | Front Vertical Switch | | *3 | Lifter Switch | | *4 | Reclining Switch | | *a | Component without harness connected (Front Power Seat Switch RH) | | |
READ NEXT:
INSTALLATION CAUTION / NOTICE / HINT HINT:
Use the same procedure for the RH and LH sides.
The procedure listed below is for the LH side.
PROCEDURE 1. INSTALL FRONT POWER SEAT SWITCH LH (a) In
COMPONENTS ILLUSTRATION *A for Front Side - - *1 CONSOLE ARMREST ASSEMBLY *2 COWL SIDE TRIM BOARD LH *3 DOOR SCUFF PLATE ASSEMBLY LH *4 INSTRUMENT SIDE PANEL LH *5
SEE MORE:
DATA LIST / ACTIVE TEST DATA LIST NOTICE: In the table below, the values listed under "Normal Condition" are reference values. Do not depend solely on these reference values when deciding whether a part is faulty or not. (a) Connect the Techstream to the DLC3. (b) Turn the power switch on (IG). (c)
DATA LIST / ACTIVE TEST DATA LIST NOTICE: In the table below, the values listed under "Normal Condition" are reference values. Do not depend solely on these reference values when deciding whether a part is faulty or not. HINT: Using the Techstream to read the Data List allows the values or states of
© 2016-2025 Copyright www.lexunx.com
