Lexus NX: Seat Heater for Rear Right Seat does not Operate

Lexus NX Service Manual / Vehicle Interior / Seat / Seat Heater System / Seat Heater for Rear Right Seat does not Operate

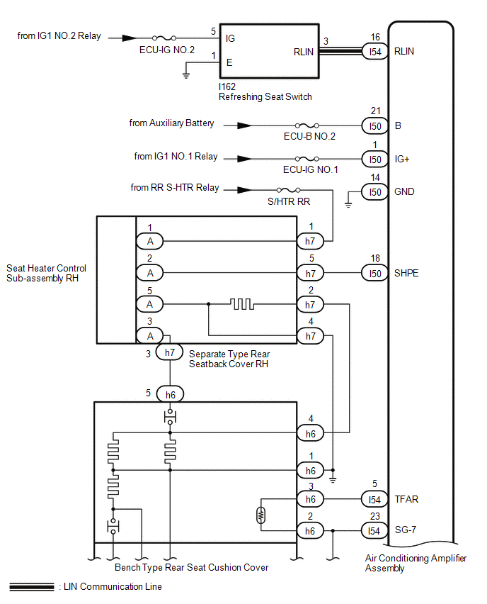
DESCRIPTION

When the refreshing seat switch is operated, the air conditioning amplifier assembly receives the signal via the LIN communication line, and operates the seat heater for the corresponding rear seat.

WIRING DIAGRAM

CAUTION / NOTICE / HINT

NOTICE:

  • If the auxiliary battery voltage is low, the seat heater system may not operate. When "High Power Consumption / Partial Limit On AC/Heater Operation" is displayed on the multi-information display in the combination meter assembly, inspect the auxiliary battery, referring to On-vehicle Inspection for the charging system.

    HINT:

    If the auxiliary battery voltage is low, "Operation Limitation Control History Count (Level 1)" and "Operation Limitation Control History Count (Level 2) is counted.

    Click here

    Click here

  • If the auxiliary battery voltage is low, the seat heater system may not operate. Refer to Data List for the power steering system.
    • for Manual Tilt and Manual Telescopic Steering Column:
    • for Power Tilt and Power Telescopic Steering Column:
  • Inspect the fuses for circuits related to this system before performing the following procedure.
  • When the auxiliary battery is disconnected or the air conditioning amplifier assembly is replaced, be sure to perform servo motor initialization.

    Click here

PROCEDURE

1.

CLEAR DTC

(a) Clear the DTCs.

Click here

Body Electrical > Air Conditioner > Clear DTCs
NEXT

2.

CHECK FOR DTC

(a) Check for DTCs.

Click here

Body Electrical > Air Conditioner > Trouble Codes

OK:

DTC B14C2 is not output.

NG

GO TO DTC B14C2

OK

3.

CHECK HARNESS AND CONNECTOR (SEPARATE TYPE REAR SEATBACK COVER RH - BATTERY AND BODY GROUND)

(a) Disconnect the separate type rear seatback cover RH connector.

*a

Front view of wire harness connector

(to Separate Type Rear Seatback Cover RH)

(b) Measure the resistance according to the value(s) in the table below.

Standard Resistance:

Tester Connection

Condition

Specified Condition

h7-4 - Body ground

Always

Below 1 Ω

(c) Measure the voltage according to the value(s) in the table below.

Standard Voltage:

Tester Connection

Condition

Specified Condition

h7-1 - Body ground

Power switch on (IG)

11 to 14 V

h7-1 - Body ground

Power switch off

Below 1 V

NG

REPAIR OR REPLACE HARNESS OR CONNECTOR

OK

4.

INSPECT SEPARATE TYPE REAR SEATBACK COVER RH

(a) Remove the separate type rear seatback cover RH.

  • for Manual Seat:
  • for Power Seat:

(b) Inspect the separate type rear seatback cover RH.

  • for Manual Seat:
  • for Power Seat:
NG

REPLACE SEPARATE TYPE SEATBACK COVER RH

OK

5.

CHECK HARNESS AND CONNECTOR (SEPARATE TYPE REAR SEATBACK COVER RH - AIR CONDITIONING AMPLIFIER ASSEMBLY)

(a) Disconnect the h7 separate type rear seatback cover RH connector.

(b) Disconnect the I50 air conditioning amplifier assembly connector.

(c) Measure the resistance according to the value(s) in the table below.

Standard Resistance:

Tester Connection

Condition

Specified Condition

h7-5 - I50-18 (SHPE)

Always

Below 1 Ω

h7-5 or I50-18 (SHPE) - Body ground

Always

10 kΩ or higher

NG

REPAIR OR REPLACE HARNESS OR CONNECTOR

OK

6.

CHECK HARNESS AND CONNECTOR (BENCH TYPE REAR SEAT CUSHION COVER - SEPARATE TYPE REAR SEATBACK COVER RH AND BODY GROUND)

(a) Disconnect the h6 bench type seat cushion cover connector.

(b) Disconnect the h7 separate type rear seatback cover RH connector.

(c) Measure the resistance according to the value(s) in the table below.

Standard Resistance:

Tester Connection

Condition

Specified Condition

h6-5 - h7-3

Always

Below 1 Ω

h6-4 - h7-2

Always

Below 1 Ω

h6-1 - Body ground

Always

Below 1 Ω

h6-5 or h7-3 - Body ground

Always

10 kΩ or higher

h6-4 or h7-2 - Body ground

Always

10 kΩ or higher

NG

REPAIR OR REPLACE HARNESS OR CONNECTOR

OK

7.

INSPECT BENCH TYPE REAR SEAT CUSHION COVER

(a) Remove the bench type rear seat cushion cover.

  • for Manual Seat:
  • for Power Seat:

(b) Inspect the bench type rear seat cushion cover.

  • for Manual Seat:
  • for Power Seat:
NG

REPLACE BENCH TYPE REAR SEAT CUSHION COVER

OK

8.

CHECK SEAT HEATER CONTROL SUB-ASSEMBLY RH

(a) Temporarily replace the seat heater control sub-assembly RH with a new or known good one.

Click here

OK:

The seat heater operates normally.

OK

END (SEAT HEATER CONTROL SUB-ASSEMBLY RH WAS DEFECTIVE)

NG

REPLACE AIR CONDITIONING AMPLIFIER ASSEMBLY

READ NEXT:

 Seat Heater for Rear Left Seat does not Operate

DESCRIPTION When the refreshing seat switch is operated, the air conditioning amplifier assembly receives the signal via the LIN communication line, and operates the seat heater for the corresponding

 Seat Memory Switch

 Components

COMPONENTS ILLUSTRATION *1 FRONT DOOR INSIDE HANDLE BEZEL PLUG LH *2 FRONT DOOR TRIM BOARD SUB-ASSEMBLY LH *3 FRONT DOOR TRIM COVER LH *4 FRONT SEAT SLIDE SWITCH BEZEL *5 POW

SEE MORE:

 DC / DC Converter Status Circuit (P0A08-264)

DESCRIPTION The DC/DC converter converts the DC 244.8 V of the HV battery into DC 12 V in order to supply power to areas such as the vehicle's lighting, audio, and ECU systems. In addition, it charges the auxiliary battery. A transistor bridge circuit initially converts DC 244.8 V into alternating c

 Tire information

Typical tire symbols Full-size tire Compact spare tire Tire size DOT and Tire Identification Number (TIN) Location of treadwear indicators Tire ply composition and materials Plies are layers of rubber-coated parallel cords. Cords are the strands which form the plies in a tire.

© 2016-2025 Copyright www.lexunx.com