Lexus NX: Seat Heater Switch Circuit

DESCRIPTION

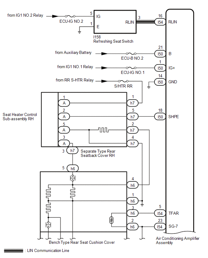
When the refreshing seat switch is operated, the air conditioning amplifier assembly receives the signal via the LIN communication line, and operates the seat heater for the corresponding rear seat.

WIRING DIAGRAM

CAUTION / NOTICE / HINT

NOTICE:

  • If the auxiliary battery voltage is low, the seat heater system may not operate. When "High Power Consumption / Partial Limit On AC/Heater Operation" is displayed on the multi-information display in the combination meter assembly, inspect the auxiliary battery, referring to On-vehicle Inspection for the charging system.

    HINT:

    If the auxiliary battery voltage is low, "Operation Limitation Control History Count (Level 1)" and "Operation Limitation Control History Count (Level 2) is counted.

    Click here

    Click here

  • If the auxiliary battery voltage is low, the seat heater system may not operate. Refer to Data List for the power steering system.
    • for Manual Tilt and Manual Telescopic Steering Column:
    • for Power Tilt and Power Telescopic Steering Column:
  • When the auxiliary battery is disconnected or the air conditioning amplifier assembly is replaced, be sure to perform servo motor initialization.

    Click here

PROCEDURE

1.

CHECK HARNESS AND CONNECTOR (REFRESHING SEAT SWITCH - BATTERY AND BODY GROUND)

(a) Disconnect the refreshing seat switch connector.

*a

Rear view of wire harenss connector

(to Refreshing Seat Switch Connector)

(b) Measure the resistance according to the value(s) in the table below.

Standard Resistance:

Tester Connection

Condition

Specified Condition

I158-1 (E) - Body ground

Always

Below 1 Ω

(c) Measure the voltage according to the value(s) in the table below.

Standard Voltage:

Tester Connection

Switch Condition

Specified Condition

I158-5 (IG) - Body ground

Power switch off

Below 1 V

I158-5 (IG) - Body ground

Power switch on (IG)

11 to 14 V

NG

REPAIR OR REPLACE HARNESS OR CONNECTOR

OK

2.

CHECK HARNESS AND CONNECTOR (REFRESHING SEAT SWITCH - AIR CONDITIONING AMPLIFIER ASSEMBLY)

(a) Disconnect the I158 refreshing seat switch connector.

(b) Disconnect the I54 air conditioning amplifier assembly connector.

(c) Measure the resistance according to the value(s) in the table below.

Standard Resistance:

Tester Connection

Condition

Specified Condition

I158-3 (RLIN) - I54-16 (RLIN)

Always

Below 1 Ω

I158-3 (RLIN) or I54-16 (RLIN) - Body ground

Always

10 k Ω or higher

NG

REPAIR OR REPLACE HARNESS OR CONNECTOR

OK

3.

CHECK AIR CONDITIONING AMPLIFIER ASSEMBLY (OUTPUT SIGNAL)

(a) Using an oscilloscope, check the waveform.

Item

Content

Tester Connection

I158-3 (RLIN) - Body ground

Tool Setting

2 V/DIV.,20 ms./DIV.

Condition

Power switch on (IG)

OK:

The waveform displays properly.

*a

Component with harness connected

(Refreshing Seat Switch)

NG

REPLACE AIR CONDITIONING AMPLIFIER ASSEMBLY

OK

4.

CHECK REFRESHING SEAT SWITCH (OUTPUT SIGNAL)

(a) Using an oscilloscope, check the waveform.

Item

Content

Tester Connection

I54-16 (RLIN) - Body ground

Tool Setting

2 V/DIV.,20 ms./DIV.

Condition

Power switch on (IG)

OK:

The waveform displays properly.

*a

Component with harness connected

(Air Conditioning Amplifier Assembly)

NG

REPLACE REFRESHING SEAT SWITCH

OK

5.

INSPECT REFRESHING SEAT SWITCH

(a) Remove the refreshing seat switch.

Click here

(b) Inspect the refreshing seat switch.

Click here

OK

REPLACE AIR CONDITIONING AMPLIFIER ASSEMBLY

NG

REPLACE REFRESHING SEAT SWITCH

READ NEXT:

 Seat Heater for Front Right Seat does not Operate

DESCRIPTION When the seat heater switch on air conditioning control assembly is operated, the air conditioning amplifier assembly receives the signal. The air conditioning amplifier assembly receives

 Seat Heater for Front Left Seat does not Operate

DESCRIPTION When the seat heater switch on air conditioning control assembly is operated, the air conditioning amplifier assembly receives the signal. The air conditioning amplifier assembly receives

 Seat Heater for Rear Right Seat does not Operate

DESCRIPTION When the refreshing seat switch is operated, the air conditioning amplifier assembly receives the signal via the LIN communication line, and operates the seat heater for the corresponding

SEE MORE:

 Hybrid Battery Voltage System Isolation Fault (P0AA6-526,P0AA6-611,P0AA6-612,P0AA6-613,P0AA6-614,P0AA6-655)

DESCRIPTION The hybrid vehicle control ECU monitors the battery voltage sensor and detects insulation malfunctions in the high-voltage system. DTC No. Detection Item DTC Detection Condition Trouble Area MIL Warning Indicate P0AA6-526 Hybrid Battery Voltage System Isolation Fault

 Power Window Master Switch

ComponentsCOMPONENTS ILLUSTRATION *1 MULTIPLEX NETWORK MASTER SWITCH ASSEMBLY *2 POWER WINDOW REGULATOR MASTER SWITCH ASSEMBLY WITH FRONT DOOR ARMREST BASE PANEL *3 FRONT DOOR ARMREST BASE PANEL - - RemovalREMOVAL PROCEDURE 1. REMOVE POWER WINDOW REGULATOR MASTER SWITCH ASSE

© 2016-2025 Copyright www.lexunx.com